homepee.com
  • Home
  • Á¦Ç°¼Ò°³
  • HI-TEC CABLE TRAY

HI-TEC CABLE TRAYDAMOA INDESTRIAL CO., LTD.

¡Ø º» Á¦Ç°ÀÇ Çü»ó ¹× ü°á½Ã½ºÅÛÀº ƯÇãµî·ÏµÈ Á¦Ç°À̹ǷΠ¹«´Ü º¹Á¦ ¶Ç´Â Á¦Ç°»ý»ê½Ã ¹ý¿¡ ÀúÃËÀ» ¹Þ½À´Ï´Ù.
 
HI-TEC CABLE TRAY
35H
 
TECNICAL DATA
  • Standard Materials : Cold Rolled Steel Sheet or
    Galvanized Steel Sheets
  • Standard Finishes : Electrostatic Powder Coating(G.I)
    or Hot Dip Galvanized(CR)
  • Standard Unit Length : 3000mm
 
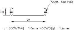
60H
 
TECNICAL DATA
  • Standard Materials : Cold Rolled Steel Sheet or
    Galvanized Steel Sheets
  • Standard Finishes : Electrostatic Powder Coating(G.I)
    or Hot Dip Galvanized(CR)
  • Standard Unit Length : 3000mm
 
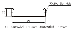
75H
 
TECNICAL DATA
  • Standard Materials : Cold Rolled Steel Sheet or
    Galvanized Steel Sheets
  • Standard Finishes : Electrostatic Powder Coating(G.I)
    or Hot Dip Galvanized(CR)
  • Standard Unit Length : 3000mm
 
100H
 
TECNICAL DATA
  • Standard Materials : Cold Rolled Steel Sheet or
    Galvanized Steel Sheets
  • Standard Finishes : Electrostatic Powder
    Coating(G.I) or Hot Dip
    Galvanized(CR)
  • Standard Unit Length : 3000mm
 
150H
 
TECNICAL DATA
  • Standard Materials : Cold Rolled Steel Sheet
    or Galvanized Steel Sheets
  • Standard Finishes : Electrostatic Powder
    Coating(G.I) or Hot Dip
    Galvanized(CR)
  • Standard Unit Length : 3000mm
 
FITTINGS
 
 
 
 
¡Ø ´ç»ç īŻ·Î±×°¡ ÇÊ¿äÇϽźÐÀº ÀüÈ­¹®ÀÇ Áֽøé ÇÊ¿äÇÑ ÀڷḦ ¹Þ¾Æ º¸½Ç ¼ö ÀÖ½À´Ï´Ù.